ПОСЛЕДНИЙ ЭКЗЕМПЛЯР!
ЛАМПОВЫЙ ОДНОТАКТНЫЙ УСИЛИТЕЛЬ МОЩНОСТИ «SPARTA SE» НА РАДИОЛАМПАХ 6П3С в триодном включении в параллель - набор КИТ для самостоятельной сборки своими руками навесным монтажом
ТЕХНИЧЕСКИЕ ХАРАКТЕРИСТИКИ:
SE Class A
В ламповом однотактном усилителе "SPARTA SE" на радиолампе 6П3С собран энергоемкий источник питания с дроссельным фильтром и выпрямитель источника питания на диодах (полупроводниковый)
Габаритные размеры усилителя: 340 х 240 х В200 мм (с лампами)
Используемые радиолампы: 6П3С x 4 шт (2 шт в параллель), 6Н1П х 2 шт
Номинальное входное напряжение: 1,5 В
Максимальная выходная мощность: 8 Вт @ 8 Ом КНИ 3 %
Сопротивление подключаемой нагрузки: 4 или 8 или 16 Ом
Отношение сигнал / шум: не хуже -88 Дб
Максимальное отклонение от линейной АЧХ (20 Гц - 20 КГц): 1,0 Дб
Коэффициент нелинейных искажений THD@1 Вт / 8 Ом: не более 0,15%
Максимальная потребляемая мощность: 140 Вт
Частотный диапазон -3 Дб: 16 Гц - 40 КГц
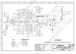
Ламповый однотактный усилитель "SPARTA SE" принципиальная схема
Характеристики радиолампы 6П3С
Характеристики радиолампы 6Н1П
КОМПЛЕКТАЦИЯ НАБОРА КИТ:
- Корпус лампового усилителя 340 х 230 х В85мм порошковая окраска цвет RAL9005 (черный) х 1 шт-
- Комплект крепежа и фурнитуры для корпуса (ножки, разъёмы, панели ламповые и пр) х 1 шт
- Комплект радиоламп: 6П3С (выходные) x 4 шт, 6Н1П х 2 шт
- Переменный резистор ALPS NOS в регуляторе громкости
- Электролитические конденсаторы JAMICON, EPCOS, SAMSUNG
- Входные разъёмы NEUTRIK
- Печатная плата источника питания "P-OWER" 45 мм х 150 мм х 1 шт
- Выходной трансформатор на магнитопроводе M6 (M165-35S) отожженная сталь, толщина пластин 0,35мм, производство Германия) х 2 шт
- Дроссель анодного питания х 1 шт
- Трансформатор питания тороидальный х 1 шт
- Кожух для силового трансформатора 120 х 120 х 80 мм
- Проверенная и надежная схема лампового усилителя с указанием всех необходимых режимов - обязательная составляющая каждого набора для самостоятельной сборки
- Лицевая панель (нержавеющая сталь 3,0 мм)
- Задняя декоративная панель (нержавеющая сталь )
Все комплектующие конструктора разложены по отдельным пакетикам с указанием соответствующей нумерации на схеме. Сборка изделия и трассировка навесного монтажа производится самостоятельно.
ВЕС набора составляет 15 килограмм
фото для примера
ИЗДЕЛИЕ НА ЗАКАЗ. СРОК ИЗГОТОВЛЕНИЯ И ПОСТАВКИ 4 - 6 НЕДЕЛЬ
Разработка и производство "Золотая Середина" . Производитель оставляет за собой право вносить в изделия изменения, не влияющие на основные технические характеристики.
Работоспособность изделия гарантируется только в комплектации производителя. В случае использования в процессе сборки и эксплуатации элементов и электронных компонентов, не входящих в состав набора, работоспособность не гарантируется, техническая поддержка не оказываетсяи претензии не принимаются.
ламповый | ламповый усилитель | ламповые схемы | схема лампового усилителя | ламповый усилитель купить | ламповый своими руками | ламповый звук | ламповый усилитель своими руками | ламповый унч | трансформатор для лампового усилителя | ламповый мощности | выходные ламповые трансформаторы | хороший ламповый | ламповый усилитель звука | ламповый усилитель мощности | двухтактный ламповый | однотактный ламповый | питание лампового усилителя | двухтактный ламповый усилитель | однотактный ламповый усилитель | сделай лампово | выходной трансформатор для лампового усилителя | ламповый 6п3с | ламповый дроссель | ламповый стерео | лучший ламповый усилитель | корпус ламповый | простой ламповый | ламповые наборы | ламповый конструктор | ламповый audio | ламповый усилитель | схема лампового усилителя | ламповый усилитель купить | ламповый усилитель своими руками | трансформатор для лампового усилителя | ламповый усилитель звука | ламповый усилитель мощности | питание лампового усилителя | двухтактный ламповый усилитель | однотактный ламповый усилитель | выходной трансформатор для лампового усилителя |ламповый усилитель на 6п3с | ламповый усилитель конструктор | ламповые усилители отзывы | схемы двухтактных ламповых усилителей | усилитель звука ламповые купить | ламповый усилитель конструктор купить | схема однотактного лампового усилителя | ламповый усилитель сборка | самодельный ламповый усилитель | выходные трансформаторы для ламповых усилителей купить | ламповый усилитель своими руками пошаговая | делаем ламповые усилители | ламповый усилитель видео | ламповый стерео усилитель | hi fi ламповый усилитель | ламповые усилители мощности купить | ламповые усилители своими руками схемы | ламповые усилители москва | набор для сборки лампового усилителя | как сделать ламповый усилитель видео | кит лампового усилителя

