Ламповый фонокорректор для винила "EQUALIGHT" для ММ звукоснимателя (версия 2) - собранное изделие
Данный фонокорректор собран полностью на триодах, на входе применяется каскад SRPP с высокими динамическими характеристиками.Сосредоточенная цепь пассивной коррекции без использования ООС (Stanley P. Lipshitz) . Полностью стабилизированный полупроводниковый источник питания с двойной стабилизацией накала. В данном фонокорректоре используются электролитические конденсаторы 10000 hrs с низкой утечкой; переходные конденсаторы: WIMA (Германия) или SOLEN (Франция). Точность подбора всех компонентов 0,5 %
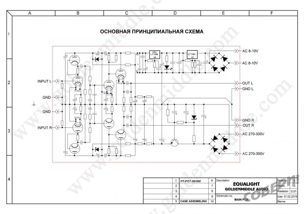
Используемые радиолампы: (6Н24П х 2 шт + 6Н2П х 1 шт + 6Н23П х 1 шт)
Коэффициент усиления (1 КГц): 45 Дб
Перегрузочная способность: 40 Дб
Номинальное входное напряжение: 3 мВ (MM)
Номинальное входное сопротивление: 47 КОм
Отношение сигнал / шум: не хуже <-80 Дб
Отклонение от АЧХ RIAA: max ± 0,5 Дб
Минимальное сопротивление нагpузки (-1,5 Дб): 5 КОм
Номинальное сопротивление нагрузки: 30 КОм
Коэффициент нелинейных искажений при выходном напряжении 500 мВ: не хуже <0,015% на частоте 1 KГц
Дополнительная опция (по запросу): экранировка трансформатора питания с заливкой компаундом (фото для примера)
Разработка и производство "Золотая Середина" . Производитель оставляет за собой право вносить в изделия изменения, не влияющие на основные технические характеристики.
Работоспособность изделия гарантируется только в комплектации производителя. В случае использования в процессе сборки и эксплуатации элементов и электронных компонентов, не входящих в состав набора, работоспособность не гарантируется, техническая поддержка не оказывается и претензии не принимаются.
Заказать и купить высококачественный ламповый Hi-FI mm RIAA фонокорректор на радиолампе 6Ж49П | 6Н2П | 6Н23П для винилового проигрывателя в интернет магазине "СОБЕРИ.ПРО-ФЕССИОНАЛЬНО!"с доставкой по всей России
ламповый фонокорректор | ламповый фонокорректор схема | ламповый фонокорректор для винила | ламповый фонокорректор купить | ламповый фонокорректор для винила схема | ламповый фонокорректор для винилового | ламповый фонокорректор для винилового проигрывателя | ламповый фонокорректор отзывы | ламповый фонокорректор своими руками | ламповый фонокорректор 6н2п | ламповый усилитель фонокорректор | схема лампового фонокорректора на 6н2п | лучший ламповый фонокорректор | ламповые фонокорректоры для винила купить | ламповый фонокорректор на 6н2п для винила | ламповый фонокорректор на 6н2п для винила схема | питание лампового фонокорректора | ламповый фонокорректор для винила своими руками | блок питания лампового фонокорректора | фонокорректор для винилового проигрывателя ламповый схема | фонокорректор ламповый для винилового проигрывателя купить | схема и плата лампового фонокорректора | ламповые фонокорректоры рейтинг | ламповый фонокорректор для винила equalight | простой ламповый фонокорректор



