ЛАМПОВЫЙ ФОНОКОРРЕКТОР ДЛЯ ВИНИЛА "EQUALIGHT" с интегрированным источником питания, переходные конденсаторы K71-7 + К71-4 - конструктор kit для самостоятельной сборки своими руками
КОМПЛЕКТАЦИЯ НАБОРА КИТ лампового фонокорректора "EQUALIGHT" :
- Комплект радиоламп 6Н24П х 2 шт + 6Н2П х 1 шт + 6Н23П х 1 шт
 - Переходные конденсаторы K71-7 + К71-4
 - Печатная плата лампового фонокорректора "EQUALIGHT" 240 х 130 мм (стеклотекстолит 2 мм, толщина фольги 35 мкм) с интегрированным источником питания х 1 шт
 - Трансформатор питания тороидальный х 1 шт (ДОПОЛНИТЕЛЬНАЯ ОПЦИЯ: экранировка трансформатора с заливкой компаундом (фото для примера))
 - Полный комплект всех необходимых для сборки комплектующих (конденсаторы K71-7 + К71-4 , резисторы и т.д) х 1 шт;
 - Инструкция по сборке
 - Проверенная и надежная схема лампового фонокорректора - обязательная составляющая каждого набора.
 
Корпус с комплектом фурнитуры в состав набора не входит и его можно купить отдельно в разделе "КОРПУСА"
* Точность подбора всех электронных компонентов 0,5 %. Все радиолампы проверены для использования в данном фонокорректоре. Все комплектующие конструктора разложены по отдельным пакетикам с указанием соответствующей нумерации на схеме. Сборка изделия производится самостоятельно.
Данный фонокорректор собран полностью на триодах, на входе применяется каскад SRPP с высокими динамическими характеристиками.Сосредоточенная цепь пассивной коррекции без использования ООС (Stanley P. Lipshitz). Полностью стабилизированный полупроводниковый источник питания с двойной стабилизацией накала.
Используемые радиолампы: 6Н24П х 2 шт + 6Н2П х 1 шт + 6Н23П х 1 шт 
Коэффициент усиления (1 КГц): 45 Дб
Перегрузочная способность: 40 Дб
Номинальное входное напряжение: 3 мВ (MM)
Номинальное входное сопротивление: 47 КОм
Отношение сигнал / шум: не хуже <-80 Дб
Отклонение от АЧХ RIAA: max ± 0,5 Дб
Минимальное сопротивление нагpузки (-1,5 Дб): 5 КОм
Номинальное сопротивление нагрузки: 30 КОм
Коэффициент нелинейных искажений при выходном напряжении 500 мВ: не хуже <0,015% на частоте 1 KГц
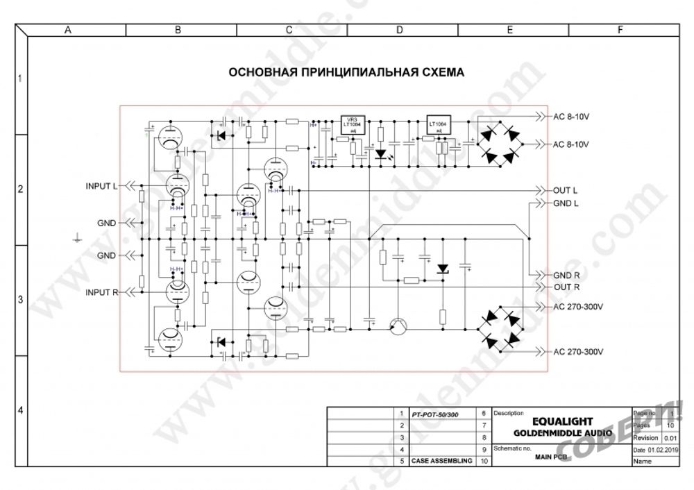
Ламповый фонокорректор "EQUALIGHT" принципиальная схема
Разработка и производство "Золотая Середина" . Производитель оставляет за собой право вносить в изделия изменения, не влияющие на основные технические характеристики.
Работоспособность изделия гарантируется только в комплектации производителя. В случае использования в процессе сборки и эксплуатации элементов и электронных компонентов, не входящих в состав набора, работоспособность не гарантируется, техническая поддержка не оказывается и претензии не принимаются.
 
    
Если Вы хотите собрать фонокорректор для винила своими руками на радиолампе 6Н24П | 6Н2П | 6Н23П , то Вы можете заказать и купить качественный полный набор для самостоятельной сборки лампового фонокорректора в интернет магазине СОБЕРИ.ПРО-ФЕССИОНАЛЬНО с доставкой по всей России
фонокорректор набор | фонокорректор набор для сборки | фонокорректор набор для сборки | купить фонокорректор своими руками | фонокорректор для винилового проигрывателя своими руками | фонокорректор для проигрывателя своими руками | схема фонокорректора своими руками | ламповый фонокорректор своими руками | фонокорректор для винила своими руками | фонокорректор проигрывателя своими руками схема | фонокорректор для винилового проигрывателя своими руками схемы | ламповый фонокорректор для винила своими руками | фонокорректор своими руками лучшая рабочая схема | фонокорректор riaa своими руками| фонокорректор ламповый для винилового проигрывателя купить | схема и плата лампового фонокорректора | ламповые фонокорректоры рейтинг | ламповый фонокорректор для винила equalight | простой ламповый фонокорректор| ламповый фонокорректор для винилового проигрывателя | ламповый фонокорректор отзывы | ламповый фонокорректор своими руками | ламповый фонокорректор 6н2п | ламповый усилитель фонокорректор | схема лампового фонокорректора на 6н2п | лучший ламповый фонокорректор 
    


