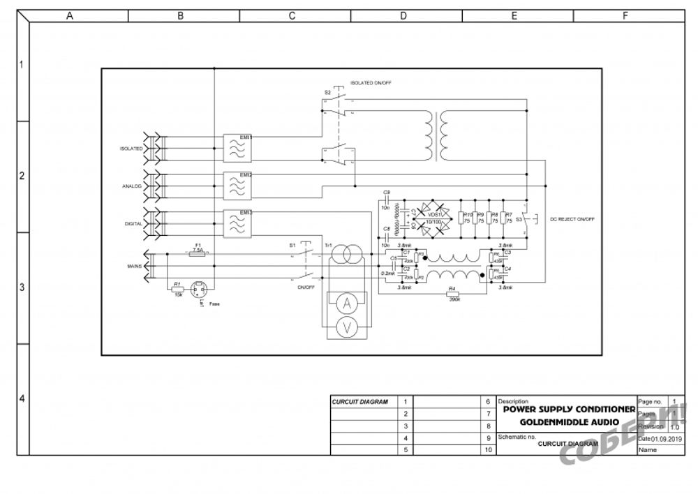
Сетевой фильтр питания с гальванической развязкой сети 230 - 230В для аудиотехники с разделительным трансформатором и с ручной коррекцией выходного напряжения
Технические характеристики сетевого фильтра:
Входное напряжение ~ 220-245 В 50 / 60 Гц
Потребляемая мощность устройства 40 Вт
Максимальная суммарная мощность нагрузки 2000 ВА
Количество групп потребителей: 3
Максимальная нагрузка на каждую группу потребителей: 10А
(суммарно на все группы не более 10А)
Коэффициент подавления ВЧ помех 56 Дб
Количество ступеней коррекции напряжения: 3
Шаг коррекции напряжения 7,5 В
Габаритные размеры сетевого фильтра питания для аудиотехники: Г450 х Ш230 х В200 мм
Разработка и производство "Золотая Середина". Производитель оставляет за собой право вносить в изделия изменения, не влияющие на основные технические характеристики.
Работоспособность изделия гарантируется только в комплектации производителя. В случае использования в процессе сборки и эксплуатации элементов и электронных компонентов, не входящих в состав набора, работоспособность не гарантируется, техническая поддержка не оказываетсяи претензии не принимаются.
Купить сетевой фильтр питания для усилителя мощности, фонокорректора, сд проигрывателя, кассетной деки, катушечного магнитофона и другой аудиотехники класса hi-fi в интернет магазине СОБЕРИ.ПРО с доставкой по России
сетевой фильтр | сетевой фильтр купить | сетевой фильтр 5 | сетевой фильтр 5 розеток | сетевой фильтр 6 розеток | фильтр сетевого напряжения | сетевой фильтр 1 | сетевой фильтр с защитой | сетевой фильтр черный | лучшие сетевые фильтры | какой сетевой фильтр | сетевой фильтр | сетевые фильтры 3 розетки | сетевой фильтр 2 | сетевой фильтр белый | сетевой фильтр скачки напряжения | скачок напряжения сетевого фильтра | сетевой фильтр от скачков напряжения | сетевой фильтр power | сетевой фильтр с защитой от скачков | сетевой фильтр с защитой от напряжения | сетевой фильтр с защитой от скачков напряжения | сетевой фильтр отзывы | сетевой фильтр с заземлением | сетевой фильтр цена | сетевой фильтр pro | сетевой фильтр для аудио | сетевые фильтры для аудио аппаратуры | купить сетевой фильтр для аудио | купить сетевой фильтр для аудио аппаратуры | сетевой фильтр для усилителя | сетевой фильтр для усилителя звука | сетевой фильтр для усилителя мощности схема

